![]() ![]() ![]() DIMENSIONAL TOLERANCES PERMITTED UNDER THIS AMERICAN STANDARD ASME B16.11-2001 | ||
|---|---|---|
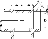
| "A" - CENTER TO BOTTOM OF SOCKET | FOR SIZES 1/8" AND 1/4" | ± 0.03" |
| 3/8", 1/2" AND 3/4" | ± 0.06" | |
| 1", 1-1/4", 1-1/2" AND 2" | ± 0.08" | |
| 2-1/2", 3", AND 4" | ± 0.10" | |
| "B" - BORE DIAMETER OF SOCKET | FOR SIZES 1-1/2" AND SMALLER | + 0.020" - 0.000" |
| 2", 2-1/2", 3" AND 4" | + 0.025" - 0.000" | |
| "C" - SOCKET WALL THICKNESS | MINIMUM = 1.09 T (BUT NOT LESS THAN 5/32") T = WALL THICKNESS OF NOMINAL PIPE | |
| "D" - BORE DIAMETER OF FITTING | FOR SIZES 2" AND SMALLER | ± 0.030" |
| 2-1/2", 3" AND 4" | ± 0.060" | |
| "E" - BOTTOM TO BOTTOM OF SOCKETS - COUPLINGS | FOR SIZES 1/8" AND 1/4" | ± 0.06" |
| 3/8", 1/2" AND 3/4" | ± 0.12" | |
| 1", 1-1/4", 1-1/2" AND 2" | ± 0.16" | |
| 2-1/2", 3", AND 4" | ± 0.20" | |
| "F" - BOTTOM OF SOCKET TO OPPOSITE FACE - HALF COUPLINGS | FOR SIZES 1/8" AND 1/4" | ± 0.03" |
| 3/8", 1/2" AND 3/4" | ± 0.06" | |
| 1", 1-1/4", 1-1/2" AND 2" | ± 0.08" | |
| 2-1/2", 3", AND 4" | ± 0.10" | |
| "G" - WELDING GAP | APPROXIMATELY 0.06" RECOMMENDED GAP BEFORE WELDING | |
| "H" - MINIMUM FLAT | MINIMUM FLAT = 0.75 X MINIMUM SOCKET WALL THICKNESS | |